
2022-05-06|admin
WPLPE right-angle planetary gearbox has the characteristics of small size, light weight, strong performance, suitable for working conditions with large bearing capacity, and the driving element can be directly installed on the output shaft. The right-angle gearbox is suitable for use in scenarios with limited installation space. Different types of speed ratios are used in different industries. According to the size chart of the right-angle planetary gearbox, the corresponding motor and other transmission methods can be adapted.
Newcastle gearbox series right-angle planetary gearbox has a complete range of dimension drawings and various models. You can contact the technical download.
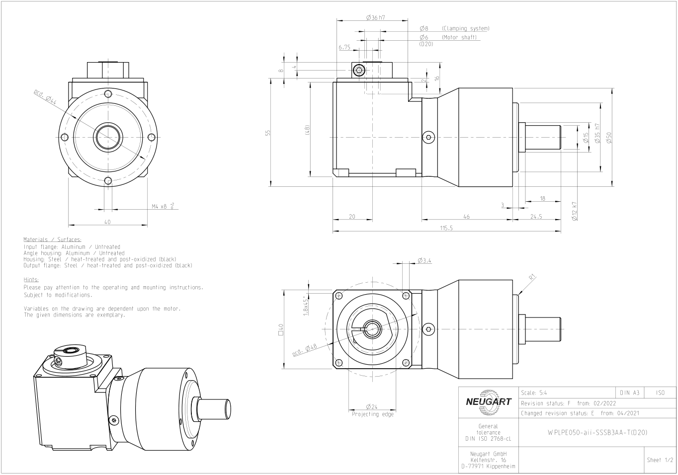
WPLPE050 structural dimension drawing:

Download the dimension drawing of WPLPE right angle gearbox:
WPLPE050 Reference Drawings.zip
WPLPE070 Reference Drawings.zip
WPLPE090 Reference Drawings.zip
WPLPE120 Reference Drawings.zip
